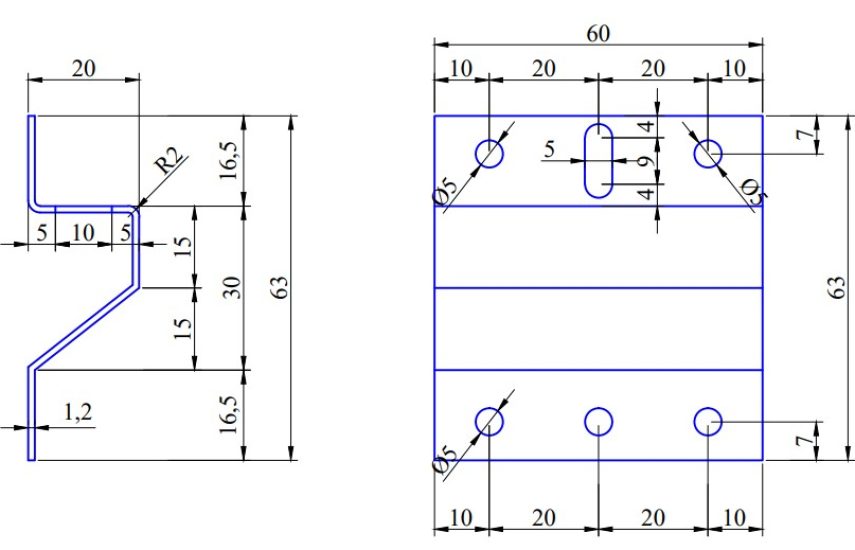
САЛАЗКА для АКП нержавеющая
Выберите регион, чтобы узнать стоимость.
- Размер: 60х63*20мм
- Толщина: 1,2мм
- Нержавеющая сталь
Салазка предназначена для скрытого крепления облицовки к каркасу фасадной системы. Изготовлена из нержавеющей стали. Крепятся на стенку вертикальных направляющих с помощью вытяжных заклепок или саморезов. Идет в комплекте с иклями. Икли крепятся на вертикальные отбортовки облицовочных кассет с помощью вытяжных заклепок.
Вентилируемый фасад это система, состоящая из внешнего фасадного экрана и специальной фасадной подсистемы которая крепится на стену. Между фасадным экраном и стеной остается пространство, как правило 3-5см для циркуляции воздушных масс. Такая система устраняет врагу и конденсат со стен зданий позволяя вентилировать фасад. Обрешетка под сайдинг состоит из каркаса профилей и крепежных элементов. Подробнее узнать о фасадных профилях
Вертикально-горизонтальная система
Подходит для всех типов панелей, короткое видео со схемой монтажа.
Доставка по городу Владивосток 1200р до 1500кг
Сдать груз в ТК 1500р до 1500кг
| Город | Доставка за кг |
|---|---|
| Арсеньев | 14 |
| Дальнегорск | 16 |
| Дальнереченск | 15 |
| Кавалерово | 16 |
| Камень-Рыболов | 13 |
| Лесозаводск | 15 |
| Лучегорск | 16 |
| Пограничный | 13 |
| Славянка | 14 |
| Спасск-Дальний | 14 |
| Покровка | 13 |
| Кировский | 16 |
| Бикин | 16 |
Разместите здесь соответствующий контент






